跳至主要內容
首頁
產品介紹
所有產品類別
衛生級管件
衛生級清洗球
衛生級接頭
閥件
真空半導體產品
其他產品
線上電子型錄
電子型錄下載
Products search
搜尋
最新消息
關於閎盈精密
聯絡我們
首頁
產品介紹
所有產品類別
衛生級管件
衛生級清洗球
衛生級接頭
閥件
真空半導體產品
其他產品
線上電子型錄
電子型錄下載
Products search
搜尋
最新消息
關於閎盈精密
聯絡我們
首頁
/
產品介紹
/
衛生級管件
/ 1.5″ Y型管
衛生級管件
1.5″ Y型管
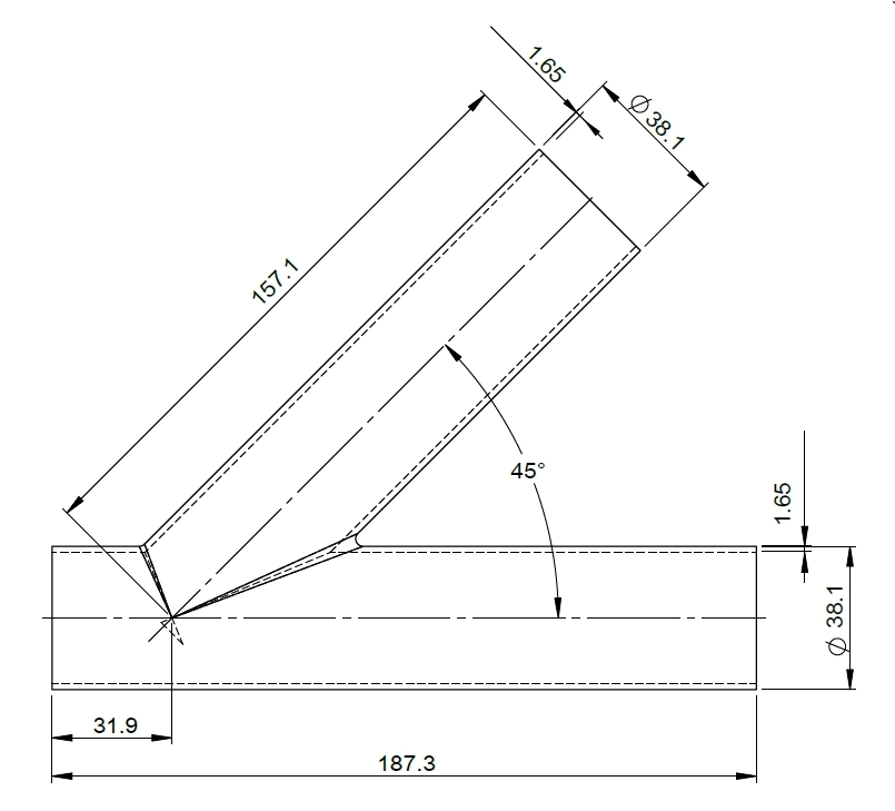
尺寸:1.5″ Y型管
尺寸眾多請參考照片中詳細尺寸表
材質: SS304
分類:
衛生級管件
描述
閎盈精密 衛生級管件適合應用於食品加工、飲料、生物技術、化學工業管路配件、水產加工管路配件、及其他衛生設備配件,工業衛生管道配件。
閎盈精密 所有產品皆為不鏽鋼304和不鏽鋼316L及符合 3A認證。
相關商品
3A 等徑長三通
3A 快裝四通
3A 等徑短三通
3A 90° 短彎頭
閎盈精密即時訊息
聯絡我們
返回頂端